
ЦЕНА ДЫМОСОСА ДН-9: от 80 000р
Дымосос Д-3,5м, Дымосос ДН-6,3, Дымосос ДН-8, Дымосос ДН-9, Дымосос ДН-10, Дымосос ДН-11,2, Дымосос ДН-12,5, Дымосос ДН-13
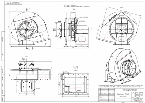
ОПИСАНИЕ ДЫМОСОСА ДН-9:
Дымосос ДН-9 предназначен для перемещения дымовых газов с температурой не более 250°С для дымососа из углеродистой стали обыкновенного качества и 400° С для дымососа из нержавеющей стали.
Состоит из кожуха, рабочего колеса, входного патрубка и электродвигателя. Дымосос ДН-9 изготавливается правого и левого вращения. Правое - вращение рабочего колеса по часовой стрелке, левое - против часовой стрелки, если смотреть на дымосос со стороны электродвигателя.Также возможна поставка дымососа ДН-9 с ходовой частью и/или всасывающим карманом.
КОМПЛЕКТАЦИЯ ДЫМОСОСА ДН-9:
- КОРПУС-УЛИТА
- РАБОЧЕЕ КОЛЕСО
- ПОСТАМЕНТ
- ЭЛЕКТРОДВИГАТЕЛЬ 11 КВт,1000 об/мин
ЗАПАСНЫЕ ЧАСТИ ДЫМОСОСА ДН-9:
- КОРПУС УЛИТА ДЫМОСОСА
- РАБОЧЕЕ КОЛЕСО
- ПОСТАМЕНТ ДЫМОСОСА
- ВСАСЫВАЮЩИЙ КАРМАН С ЛОПАСТНЫМ НАПРАВЛЯЮЩИМ АППАРАТОМ ДЫМОСОСА
ТЕХНИЧЕСКИЕ ХАРАКТЕРИСТИКИ ДЫМОСОСА ДН-9:
|
№ |
Марка дымососа |
ДН-9/1000 |
ДН-9/1500 |
|
1 |
Диаметр рабочего колеса, мм |
900 |
900 |
|
2 |
Тип электро-двигателя |
АИР160S6 |
АИР160S4 |
|
3 |
Число оборотов электро-двигателя, об/мин |
1000 |
1500 |
|
4 |
Установленная/потребляемая мощность электро-двигателя, кВт |
11 / 2,7 |
15 / 9,1 |
|
5 |
Производительность, м3/ч |
9300 |
14900 |
|
6 |
Напор, Па |
800 |
1810 |
|
7 |
КПД, % |
83 |
83 |
|
8 |
Угол разворота корпуса дымососа при постановке (монтаже) |
243°30' (0° - 270° через 25°30') |
243°30' (0° - 270° через 25°30') |
|
9 |
Габаритные размеры (ДхШхВ), мм |
1250х1630х1350 |
1250х1630х1350 |
|
10 |
Масса, кг, не более |
500 |
500 |
Купить дымосос ДН-9 вы можете заполнив форму обратной связи или позвонив по телефону горячей линии 8 (800) 700-6944. Специалисты нашей компании помогут в подборе оптимального варианта оборудования в соответствии с заданными техническими характеристиками.
ЧЕРТЕЖИ ДЫМОСОСА ДН-9







